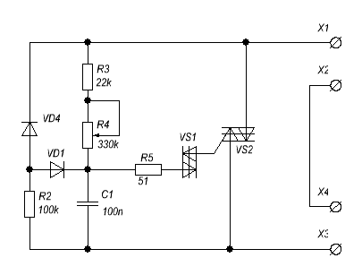
სიმძლავრის რეგულატორი.